
BX型墊片
BX型RTJ墊圈制造符合API 6A、6B和ASME b16.20標準,適合API ASME/ANSI B16.5法蘭。
樣式RX是一個壓力能量適應的標準樣式R墊片。RX的設計,以適應同一個標準的R R槽設計,使接合互換。修改后的設計采用了壓力能量影響。提高密封效率作為系統內部壓力增加。
壓力:5000-20000 PSI
公差:(mm)
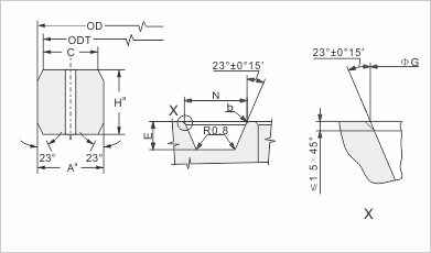
A *(環的寬度)
+ 0.20,-0.000
*(孔尺寸)
±0.5
h(環的高度)
+ 0.20,-0.000
外徑(外徑)
0、-0.150
23 *(角)
1/4°
注1:環的半徑應為8%~12%的環高度H。
一個壓力通道孔要求每環中心線*寬度* *和高* H * 0.008inches加公差是允許的。只要寬度或高度的變化在整個圓周上不超過0.004英寸
也可用于海底應用設計。
<t